+7 (912)-751-33-24Заказать звонок
Заказать звонок

Оставьте Ваше сообщение и контактные данные и наши специалисты свяжутся с Вами в ближайшее рабочее время для решения Вашего вопроса.

Ваш телефон
Ваш телефон*
Ваше имя
Ваше имя

* - Поля, обязательные для заполнения

Сообщение отправлено
Ваше сообщение успешно отправлено. В ближайшее время с Вами свяжется наш специалист
Закрыть окно
arbatex@list.ru
Каталог товаров
Подписка на новости магазина

Подпишитесь на рассылку и получайте свежие новости и акции нашего магазина.

Описание товара:

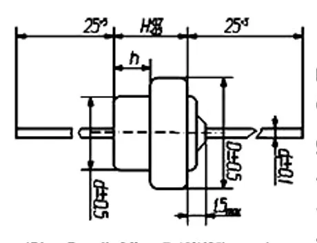
К52-5СВ 90в 68 мкф конденсатор оксидно-электролитический объёмно-пористый танталовый герметизированный полярный уплотнённый постоянной ёмкости применяются в цепях постоянного и пульсирующего токов.
2 840 руб. / шт Цена не является конечной и требует уточнения у менеджера.
В наличииВ наличии
Загрузка
Рассчитываем стоимость доставки
Пожалуйста подождите, рассчет займет немного времени

Описание товара

Описание конденсатора К52-5СВ 90в 68 мкф


К52-5СВ 90в 68 мкф конденсатор оксидно-электролитический объёмно-пористый танталовый герметизированный полярный уплотнённый постоянной ёмкости применяются в цепях постоянного и пульсирующего токов.

Параметры и характеристики конденсатора К52-5СВ 90в 68 мкф:


К52-5СВ 90в 68 мкф конденсатор оксидно-электролитические объёмно-пористый танталовый герметизированный полярный уплотнённый постоянной ёмкости.
Предназначен для работы в цепях постоянного и пульсирующего токов.
Изготавливается в климатическом исполнении В.  
Технические условия: ОЖ0.464.049 ТУ.

Основные технические данные конденсаторов К52-5СВ:
Номинальная емкость: 6,8...330 мкФ
Номинальное напряжение: 15...90 В
Диапазон рабочих температур: от –60°С до +155°С
Тангенс угла потерь: от 5 до 10 %
Допускаемое отклонение емкости: ±10%, ±20%, ±30%, +50–20%
Минимальная наработка: 10000 час
Минимальный срок сохраняемости: 15 лет
Вид приемки: «5», «9.
Добавить отзыв
Ваша оценка:
Отправить отзыв

Похожие товары (8)

2 840 руб. / шт Цена не является конечной и требует уточнения у менеджера.
В наличииВ наличии
К52-5СВ 90в 68 мкф
Задать вопрос

Ваше имя*
Контактный телефон*
E-mail
Вопрос*

* - Поля, обязательные для заполнения

Сообщение отправлено
Ваше сообщение успешно отправлено. В ближайшее время с Вами свяжется наш специалист
Закрыть окно
Купить в один клик
Заполните данные для заказа
Запросить стоимость товара
Заполните данные для запроса цены
Запросить цену Запросить цену