+7 (912)-751-33-24Заказать звонок
Заказать звонок

Оставьте Ваше сообщение и контактные данные и наши специалисты свяжутся с Вами в ближайшее рабочее время для решения Вашего вопроса.

Ваш телефон
Ваш телефон*
Ваше имя
Ваше имя

* - Поля, обязательные для заполнения

Сообщение отправлено
Ваше сообщение успешно отправлено. В ближайшее время с Вами свяжется наш специалист
Закрыть окно
arbatex@list.ru
Каталог товаров
Подписка на новости магазина

Подпишитесь на рассылку и получайте свежие новости и акции нашего магазина.

Описание товара:

Диод 3А529БР - арсенидогаллиевые, эпитаксиальные, с барьером Шотки, СВЧ, импульсные, одиночные 3А529А, 3А529Б и подобранные в пары 3А529АР, 3А529БР. Предназначены для преобразования импульсных сигналов пико- и наносекундного диапазонов. Выпускаются в металлокерамическом корпусе с жесткими выводами.
295 руб. / шт Цена не является конечной и требует уточнения у менеджера.
В наличииВ наличии
Загрузка
Рассчитываем стоимость доставки
Пожалуйста подождите, рассчет займет немного времени

Описание товара

Описание диода 3А529БР


Диод 3А529БР - арсенидогаллиевые, эпитаксиальные, с барьером Шотки, СВЧ, импульсные, одиночные 3А529А, 3А529Б и подобранные в пары 3А529АР, 3А529БР.
Предназначены для преобразования импульсных сигналов пико- и наносекундного диапазонов.
Выпускаются в металлокерамическом корпусе с жесткими выводами.
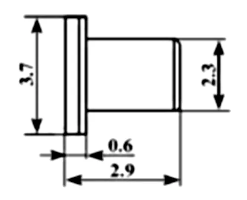
Диаметр положительного (анодного) вывода 3,7 мм.
Тип диода приводится на групповой таре.
Подобранные для работы в парах диоды 3А529АР, 3А529БР имеют парную, упаковку внутри групповой тары.
Масса диода не более 0,1 г.


Характеристики диода 3А529БР


Основные технические параметры СВЧ диода 3А529А:
Постоянное прямое напряжение: не более 1,2 В;
Постоянный обратный ток: не более 50 мкА;
Общая емкость: 0,4 пФ;
Дифференциальное сопротивление: не более 70 Ом;
Постоянное обратное напряжение: 5 В;
Средний прямой ток: не более 2 мА;
Импульсный прямой ток: не более 5 мА;
Импульсная рассеиваемая мощность: 0,5 мВт;
Температура окружающей среды: -60...+85 °С

Условное обозначение диодов:


Обозначения состоят из четырех элементов:
Первый элемент- буква или цифра - обозначает материал:
1 или Г - германий или его соединения,
2 или К - кремний или его соединения,
3 или А - арсенид галлия или другие соединения галлия.
Второй элемент - буква - указывающая подкласс прибора:
Д - диоды, Ц - выпрямительные столбы и блоки,
А - сверхвысокочастотные диоды,
В - варикапы,
И - диоды туннельные и обращенные,
С - стабилитроны и стабисторы,
Л - излучатели.
Третий элемент - число - указывающее назначение и качественные свойства прибора, а также порядковый номер разработки.
Добавить отзыв
Ваша оценка:
Отправить отзыв

Похожие товары (8)

295 руб. / шт Цена не является конечной и требует уточнения у менеджера.
В наличииВ наличии
3А528БР диод
Задать вопрос

Ваше имя*
Контактный телефон*
E-mail
Вопрос*

* - Поля, обязательные для заполнения

Сообщение отправлено
Ваше сообщение успешно отправлено. В ближайшее время с Вами свяжется наш специалист
Закрыть окно
Купить в один клик
Заполните данные для заказа
Запросить стоимость товара
Заполните данные для запроса цены
Запросить цену Запросить цену